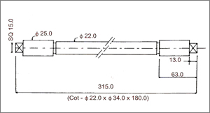
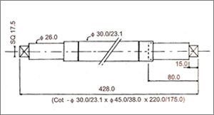
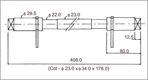
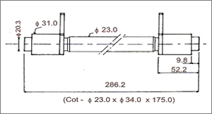
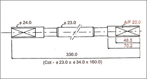
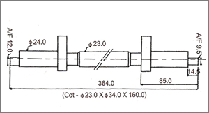
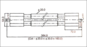
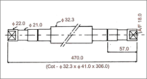
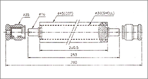
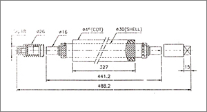
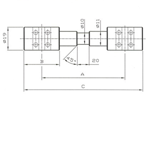
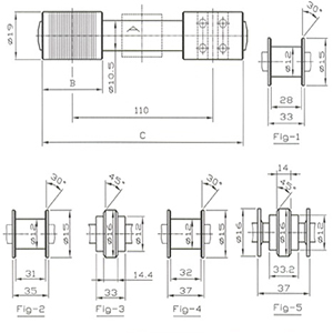
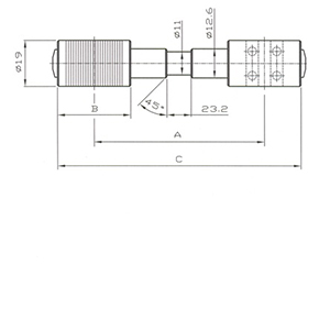
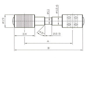
Preparotory TOP Roller
SAKTHI Top Rollers has been introduced with more than a decade of experience in Engineering and Textile Industry. It has penetrated Domestic and Overseas market by the value of its quality and consistency.
Want to know more about this? Contact us
































